授权专利
【实用新型】一种卧床患者体重监测病床
专利号:ZL202021406379.3
申请日:20200716
法律状态:授权
公开号:CN213607614U
授权公告日:2021-07-06
交易方式:转让; 许可
【摘要】:
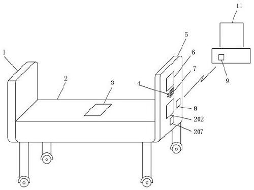
本实用新型提供了一种卧床患者体重监测病床,适用于卧床患者使用的病床,病床包括床板、床头板和床尾板,病床上设置有单片机模块、称重传感器模块、液晶显示模块和为上述模块提供电能的电源模块,称重传感器模块、液晶显示模块分别连接单片机模块;称重传感器模块用于测量卧床患者的体重,其包括设置于床板上的称重传感器;液晶显示模块用于显示卧床患者的体重数据,其包括设置于床头板或床尾板上的液晶显示屏。本实用新型提供一种卧床患者体重监测病床,旨在以反馈病人的实时体重,实现直观显示体重数据;能够记录卧床患者一段时期内的体重变化,一旦体重变化过快可以及时发现,便于医护人员及时调整治疗机制。
【技术领域】:
本实用新型属于医疗器械领域,尤其是涉及一种卧床患者体重监测病床。
【实用新型内容】:
一种卧床患者体重监测病床,包括适用于卧床患者使用的病床,病床包括床板、床头板和床尾板,所述病床上设置有单片机模块、称重传感器模块、液晶显示模块和为上述模块提供电能的电源模块,所述称重传感器模块、液晶显示模块分别连接单片机模块;所述称重传感器模块用于测量卧床患者的体重,其包括设置于床板上的称重传感器;所述液晶显示模块用于显示卧床患者的体重数据,其包括设置于床头板或床尾板上的液晶显示屏。
进一步的,所述床板包括可升降背板、可升降腿板和设置于可升降背板、可升降腿板之间的支撑板,所述称重传感器设置于支撑板。
进一步的,还包括键盘输入模块,键盘输入模块连接单片机模块,其包括矩阵键盘。
进一步的,还包括报警模块,报警模块连接单片机模块,其包括LED灯、蜂鸣器和报警电路。
进一步的,还包括无线通信模块,无线通信模块包括信号发送芯片和信号接受芯片,信号发送芯片连接单片机模块,信号接受芯片与远程电脑连接。
进一步的,所述单片机模块包括STC89C52单片机。
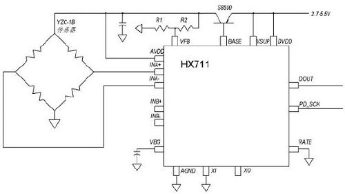
进一步的,所述称重传感器模块包括称重传感器、信号放大电路和A/D 转换电路。
进一步的,所述称重传感器可采用最大称重200kg的应变式压力称重传感器。
进一步的,所述液晶显示模块包括LCD1602液晶显示屏。
相对于现有技术,本实用新型所述的卧床患者体重监测病床具有以下优势:
(1)本技术方案针对卧床患者体重测量较为麻烦的现状而提出;技术方案设计了带有体重测量功能的病床,可以通过单片机模块、称重传感器模块、液晶显示模块和电源模块实时测量卧床患者的体重,测量结果可以通过设置于床头板或床尾板上的液晶显示屏进行显示。
(2)本实用新型所述的卧床患者体重监测病床通过报警模块在卧床患者体重变化剧烈,超出正常变化阈值时,可以进行提醒,以便医护人员改变治疗机制。
(3)本实用新型所述的卧床患者体重监测病床通过无线通信模块,实现远程电脑通讯,远程电脑记录一阶段内卧床患者体重,生成体重变化曲线,以供医护人员进行参考。
【附图】:































