授权专利
【实用新型】胃肠减压器
专利号:ZL202121611781.X
申请日:20210715
发明人:唐冰晶
法律状态:授权
公开号:CN214911332U
授权公告日:2021-11-30
交易方式:转让; 许可
【摘要】:
本实用新型公开了胃肠减压器,包括减压器本体,减压器本体包括外层、内层、上端盖和下端盖,上端盖具有进液口和排气口,上端盖靠近下端盖一侧设置有第一抗菌层,排气口内设置有第一活性炭过滤网、粗效过滤纤维网和第二活性炭过滤网,粗效过滤纤维网上附着有壳聚糖材料,第二活性炭过滤网的面积大于粗效过滤纤维网的面积,且粗效过滤纤维网的面积大于第一活性炭过滤网的面积;下端盖靠近上端盖一侧设置有第二抗菌层;第一抗菌层和第二抗菌层均为壳聚糖抗菌层或者纳米银抗菌层。本实用新型公开的胃肠减压器将排放的气体至少经过两次抑菌或杀菌以及两次活性炭吸附后,有效阻止病菌的传播以及降低排放空气外的异味,更有效改善排出气体的空气质量。
【技术领域】:
本实用新型涉及医疗器械技术领域,更具体地,涉及一种胃肠减压器。
【实用新型内容】:
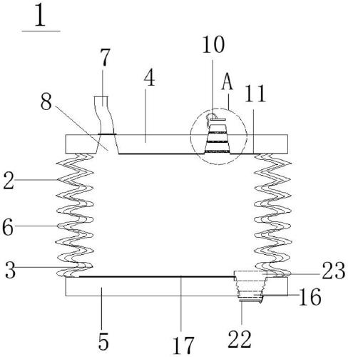
技术方案如下:一种胃肠减压器,包括减压器本体,所述减压器本体包括外层、内层、上端盖和下端盖,所述外层和所述内层之间设置有支撑弹簧,所述外层、所述内层以及所述支撑弹簧的上下两端分别连接所述上端盖和所述下端盖;
所述上端盖具有进液口和排气口,所述排气口的顶端设置有与所述排气口相匹配的排气盖,所述上端盖靠近下端盖一侧设置有第一抗菌层,所述排气口内设置有第一活性炭过滤网、粗效过滤纤维网和第二活性炭过滤网,所述粗效过滤纤维网上附着有壳聚糖材料,其中,第一活性炭过滤网位于远离所述第一抗菌层靠近所述排气盖,所述第二活性炭过滤网位于靠近第一抗菌层远离所述排气盖,所述粗效过滤纤维网位于所述第一活性炭过滤网与所述第二活性炭过滤网之间,所述第二活性炭过滤网的面积大于粗效过滤纤维网的面积,且所述粗效过滤纤维网的面积大于第一活性炭过滤网的面积;
所述下端盖上设置有排液口和与所述排液口相匹配的排液盖,所述下端盖靠近所述上端盖一侧设置有第二抗菌层;
所述第一抗菌层和所述第二抗菌层均为壳聚糖抗菌层或者纳米银抗菌层。
优选地,所述第一活性炭过滤网、所述粗效过滤纤维网和所述第二活性炭过滤网与所述排气口的内壁的衔接处分别设置有密封件。
优选地,所述排气口具有排气入口和排气出口,所述排气入口位于靠近所述第一抗菌层远离所述排气盖一侧,所述排气出口位于远离所述第一抗菌层靠近所述排气盖一侧,所述排气入口的口径大于所述排气出口的口径。
优选地,所述排液口的口径大于所述进液口的口径。
优选地,所述排液口具有排液进口端和排液出口端,所述排液进口端位于靠近所述第二抗菌层远离所述排液盖,所述排液出口端位于远离所述第二抗菌层靠近所述排液盖,所述排液进口端的口径大于所述排液出口端的口径。
优选地,所述排液口的内壁形状呈波纹状。
与现有技术相比,本实用新型提供的胃肠减压器,至少实现了如下的有益效果:
该胃肠减压器将排放的气体至少经过两次抑菌或杀菌以及两次活性炭吸附后,从而能够有效阻止病菌的传播以及降低排放空气外的异味,进而更有效改善排出气体的空气质量,整体上降低医护工作者的不适感,有效提升医护人员的工作效率;可选地,通过密封件保证减压器本体1内的气体只能经过第一活性炭过滤网、粗效过滤纤维网和第二活性炭过滤网,避免通过第一活性炭过滤网、粗效过滤纤维网和第二活性炭过滤网与排气口内壁的衔接处排放至外面的空气,从而能够更有效地降低排放空气外的异味和/或微生物,进一步的提升空气质量;可选地,通过排液口的口径大于进液口的口径,方便、快捷地倾倒减压器本体内的胃内容物,提高医务工作者的工作效率;可选地,通过将排液进口端的口径大于排液出口端的口径,当倾倒减压器本体内的胃内容物时,适当缓解胃内容物外溅,避免患者病号服和床单位被污染,进而减轻工作人员的工作量。
【附图】:





























